Skip to main content Skip to search Skip to main navigation
已添加产品进行比较

LED oven lamp MultiLevel

产品信息 "LED oven lamp MultiLevel"

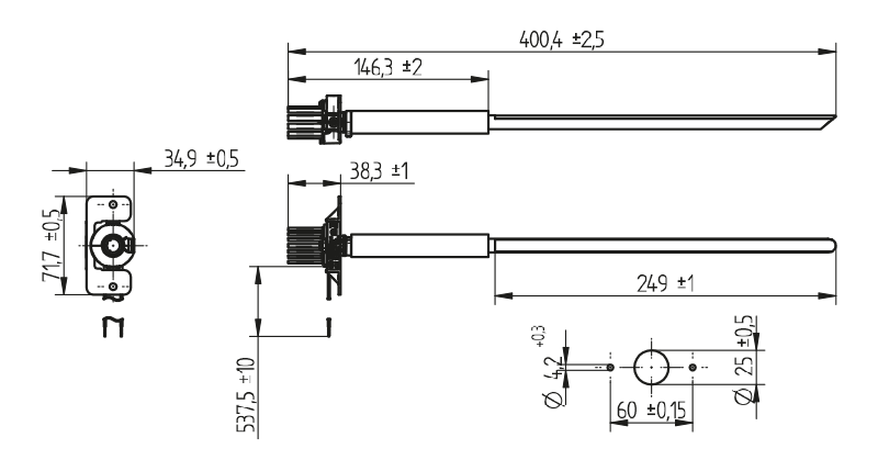
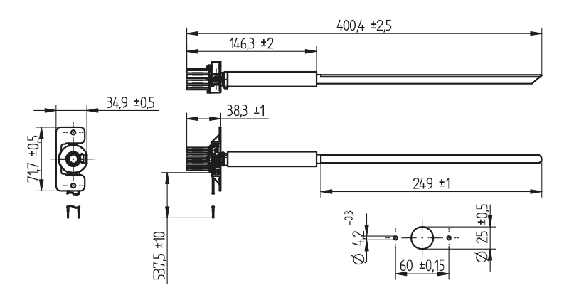
LED oven lamp with light conducting glass rod, partially satinized surface
• Side installation in the oven

Symmetrical light characteristic

Screw fixing: for M3 screws alternatively: push in fixing by using the P2F fixing element 28.905

• Due to the variable length of the light conducting glass rod, different installation heights in the oven are possible.

• Variable LED parameters (CCT, CRI, number)
• Protection class III due to operation on SELV voltage
• Max. possible current of the lamp is to be determined in the most unfavorable operating condition
• The choice of our products, as well as the technically correct installation according to the relevant regulations (e.g. IEC 62031 and IEC60335) , are the sole responsibility of the user.

Special versions with higher requirements such as steam tightness, with microwave shielding or pyrolysis suitability on request.

Application areas: Home + Professional
Ausführung: Dimmable with suitable ballast
Colour temperature: 3.500 K
Durability: Average life time (L70 / B50) = 5.000 h (according to BJB test requirements)
Energy efficiency class (A-G) : E
LED?: yes
Lamp: LED
Luminous flux Ta25° C If typical: 430 lm
Material: Heat sink and Protective tube: Aluminum, anodized; Housing: PET; Glass light guide rod: Borosilicate glass
Max. Temperature at Tc point: 110° C
Note on electrical and optical tolerances: Tolerances of optical and electrical data: ±10 %.
Note warranty conditions: *Warranty conditions of BJB GmbH & Co. KG as stated as available via the Internet under https://www.bjb.com/en/legal-information/general-terms-and-conditions/ are valid.
Operating current: 1.000 mA
Operating mode: Constant Current
Other: Output: 6.0 W - Luminous flux @Ta25° C @ If typical: 430 lm
Output: 6.0 W
Packaging quantity: 1
Producttype: LED Oven Lamp
Series: LED
Suitable for: Combined ovens - Microwaves - Pyro - Steam
number of LEDs per module: 2
old article number: 77.115.8100.00

Available CAD Downloads

证书

货物编号 状态: 描述: 文档
77.115.8100-0 ENEC_Zeichen_--ENEC_Approval_-5772810

LED in an oven? This is how we do it!

22.06.25 - We bring light into the darkness - LEDs for ovens
Skip product gallery

Accessories

P2F Optic P 3.7-5.4
28.905.U101-0
Details